
Phenom ProX G6 Desktop SEM
Características: Rápido y fácil de usar: El Phenom Pro Desktop SEM se puede utilizar para aliviar la carga del análisis de rutina
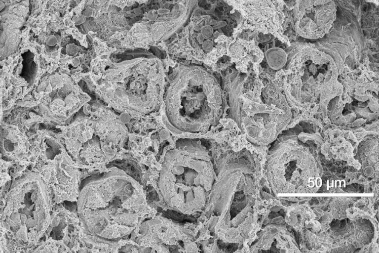
La Scanning Electron Microscopy (SEM) es una técnica de microscopía electrónica que permite obtener imágenes de alta resolución de la superficie de materiales y su microestructura. Gracias a un haz de electrones, se pueden observar detalles nanométricos y texturas complejas. La SEM es fundamental para estudios de Surface Analysis y proporciona información crítica para evaluar la calidad de los materiales, detectar defectos y caracterizar estructuras a nivel nanométrico. Además, es ampliamente utilizada en investigación científica, en el desarrollo tecnológico y en el control de calidad industrial, incluyendo análisis de superficies, microscopía electrónica de barrido y análisis de microestructura.
El funcionamiento de la Electron Microscopy se basa en la interacción de electrones con la superficie de la muestra. Los electrones secundarios y retrodispersados se detectan para generar imágenes tridimensionales, mientras que técnicas complementarias como EDS Analysis permiten realizar un Elemental Analysis. Esto posibilita estudios de SEM-EDS Analysis, EDX Analysis y caracterización de composición química, integrando información estructural y elemental.
La SEM y el SEM-EDS Analysis tienen múltiples aplicaciones, entre las que destacan:
Surface Analysis y Microstructure Analysis: evaluación de la topografía de superficies y características estructurales a nivel nanométrico.
Microscopía Electrónica de Barrido: identificación de heterogeneidades y defectos en materiales para optimización de procesos industriales.
EDS Analysis y EDX Analysis: caracterización de la composición química mediante técnicas complementarias.
Análisis de microestructura y análisis elemental: soporte en investigación de materiales, desarrollo de productos y control de calidad avanzado.
Entre sus ventajas destacan la alta resolución, profundidad de campo y compatibilidad con muestras no conductoras. La integración con SEM-EDS Analysis permite obtener información composicional detallada sin afectar la estructura de la muestra. Esto garantiza reproducibilidad y precisión en estudios de Surface Analysis, Microstructure Analysis, EDS Analysis y EDX Analysis, fortaleciendo la investigación y control de calidad en entornos avanzados.
Los sistemas de SEM y EDS Analysis permiten caracterizar superficies, estructuras internas y composición química de materiales con precisión. Su versatilidad facilita estudios de microestructura, análisis elemental y Surface Analysis en diversos tipos de muestras y condiciones experimentales, asegurando resultados reproducibles y confiables que respaldan la innovación científica y tecnológica.

Características: Rápido y fácil de usar: El Phenom Pro Desktop SEM se puede utilizar para aliviar la carga del análisis de rutina

Rápido y fácil de usar, el Phenom Pro G6 Desktop SEM se puede usar para aliviar la carga del análisis de rutina

El SEM de sobremesa es fácil de usar desde la instalación inicial hasta el uso real, gracias a su diseño intuitivo y